|
DRENING |
| Dimensione reale (cm) | 120 x 80 x H40 |
| Lunghezza prodotto installato (cm) | 117 |
| Materiale | Graplene (Poliproprilene Compound riciclato) |
| Capacità (I) | 310 |
| Superf. infiltraz. lat. (cm2) | 2.800 |
| Dimensione imballo (cm) | 120 x83 x H245 |
| N° pezzi per pallet | 40 |
| Codice prodoto | EDRENPP0040 |
|
TAPPO DRENING |
| Dimensione reale (cm) | 70 x 40 |
| Spessore (cm) | 6 |
| Materiale | Graplene (Poliproprilene Compound riciclato) |
| N° pezzi per pallet | 100* |
| Codice prodoto | ETAPDPP0040 |
| * Ogni bancale di Drening può contenere fino a 10 pezzi di Drening Tappo | |
Per effettuare una posa corretta basta attenersi alle indicazioni qui di seguito elencate:
Valutazione delle caratteristiche geologiche del terreno: se particolarmente cedevole o scarsamente drenate si consiglia il riempimento del letto della trincea con ghiaia, granulometria 20-40 mm, per un’altezza di circa 10 cm;
Posa di DRENING® al centro della trincea, con pendenza di circa 0,5%;
Inserimento del tubo di aerazione nell’apposita sede sulla sommità del DRENING® per permettere la sopravvivenza dei batteri aerobici;
Rinfianco e ricoprimento del DRENING® con terreno di riporto (o ghiaia con granulometria 20-40 mm);
Copertura totale della trincea fino alla quota di campagna con terreno di riporto ed eventuale semina.



I sistemi di smaltimento aerobici non provocano odori.
La ventilazione della trincea è quindi fondamentale, altrimenti potrebbero subentrare processi di smaltimento con batteri anaerobici che dissociando le sostanze organiche producendo molecole odorose.

Le trincee sono collegate a serpentina con il tubo innestato sui tappi di testa e di coda di ciascuna fila DRENING®.

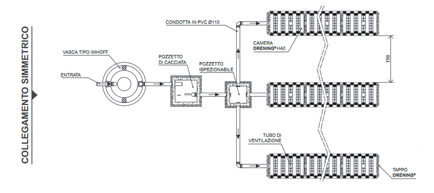
Le trincee sono collegate con un unico tubo ramificato e innestato sulla sommità di ogni fila DRENING®.
Informativa
Questo sito o gli strumenti terzi da questo utilizzati si avvalgono di cookie necessari al funzionamento ed utili alle finalità illustrate nella cookie policy. Se vuoi saperne di più o negare il consenso a tutti o ad alcuni cookie, consulta la Gestione dei Cookie.
Chiudendo questo banner, scorrendo questa pagina, cliccando su un link o proseguendo la navigazione in altra maniera, acconsenti all’uso dei cookie.